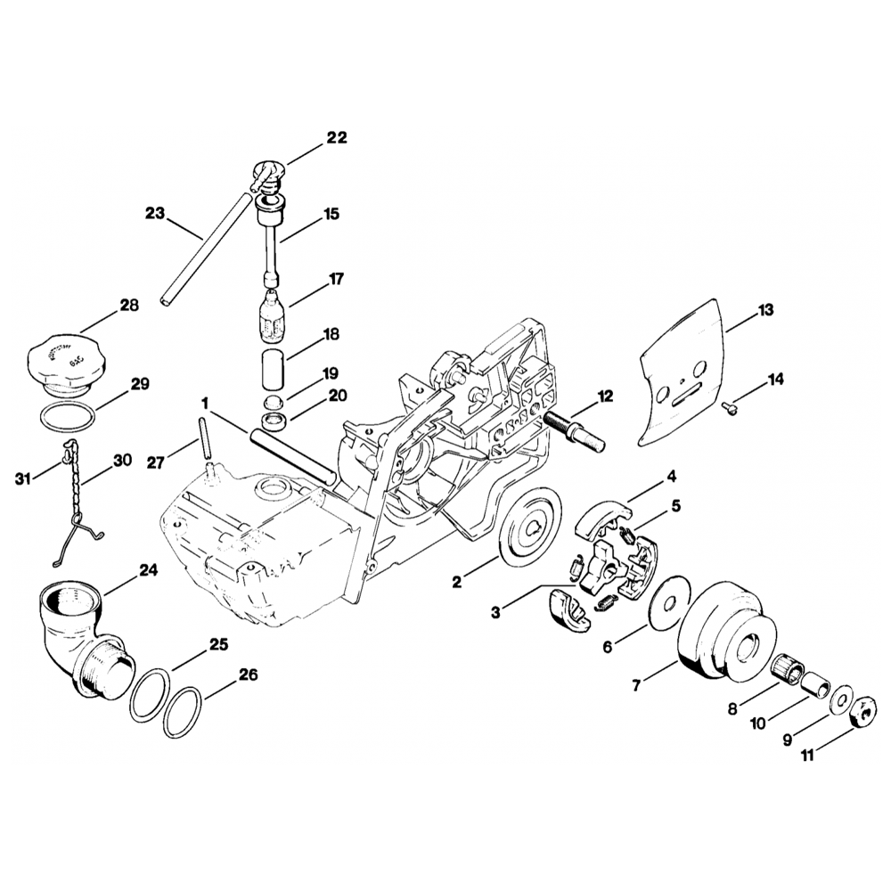
Sơ đồ Bộ làm lệch hướng cho Stihl FC 96
Danh sách phụ tùng trong sơ đồ
| STT | Ảnh minh hoạ | SKU | Chi tiết | Tình trạng | Giá |
|---|---|---|---|---|---|
| 2 | ![]() |
4180 716 3201 | Váy ngắn | Còn hàng | 187.440 ₫ |
| 3 | ![]() |
0000 958 0512 | Máy giặt | Còn hàng | 36.300 ₫ |
| 4 | ![]() |
9075 478 4095 | Vít tự khai thác đầu Pan Is-D5x12 | Còn hàng | 25.080 ₫ |
| 5 | ![]() |
4180 708 3201 | Phân đoạn | Còn hàng | 837.540 ₫ |
| 6 | ![]() |
9022 341 1010 | Vít Spline Is-M5x18 | Còn hàng | 29.040 ₫ |
| 7 | ![]() |
9022 399 0950 | Vít dẫn hướng IS-M5x10 | Còn hàng | 25.080 ₫ |
| 8 | ![]() |
9027 068 1972 | Vít đầu dẹt M8x60 | Còn hàng | 59.400 ₫ |
| 9 | ![]() |
4137 716 1501 | Tay áo | Còn hàng | 151.140 ₫ |
| 11 | ![]() |
9321 630 0180 | Máy giặt lò xo 8 | Còn hàng | 33.000 ₫ |
| 12 | ![]() |
9245 691 1100 | Đai ốc cánh M8 | Còn hàng | 29.040 ₫ |
| 13 | ![]() |
4180 713 4502 | bảo vệ | Còn hàng | 238.590 ₫ |
| 14 | ![]() |
9022 313 0652 | Vít dẫn hướng IS-M4x10 | Còn hàng | 25.080 ₫ |
| 15 | ![]() |
4133 713 4101 | Lưỡi dao Ø 200x2,4 mm / 7 7/8" x 1/10" | Còn hàng | 170.940 ₫ |
| 17 | ![]() |
4133 713 4102 | Lưỡi dao Ø 200x3,8 mm / 7 7/8" x 3/16" | Còn hàng | 156.750 ₫ |
Sơ đồ Bộ làm lệch hướng cho Stihl FC 96
Stihl cung cấp sơ đồ chi tiết giúp người dùng dễ dàng nhận biết vị trí và mã phụ tùng chính xác cho từng bộ phận của máy. Mỗi chi tiết đều được hiển thị trực quan, hỗ trợ việc tra cứu và đặt hàng nhanh chóng.
Ưu điểm của sơ đồ
- Minh họa rõ ràng từng cụm chi tiết – giúp việc lắp ráp và bảo trì thuận tiện hơn.
- Phụ tùng chính hãng đảm bảo độ khớp và hiệu năng tối ưu.
- Tích hợp sẵn danh sách mã linh kiện để đặt hàng trực tiếp trên website.
Hướng dẫn sử dụng
Chọn từng chi tiết trong sơ đồ để xem tên linh kiện, mã hàng (SKU), và giá bán tương ứng. Nếu không chắc về mã phụ tùng, hãy liên hệ bộ phận kỹ thuật của Máy Số 1 Việt Nam để được hỗ trợ miễn phí.
Toàn bộ dữ liệu được biên soạn dựa trên sơ đồ chính hãng Stihl, đảm bảo độ chính xác cao và tương thích hoàn toàn với thiết bị gốc.
Sản phẩm được phân phối chính hãng bởi CÔNG TY TNHH THIẾT BỊ CÔNG NGHIỆP HÀ HOÀNG PHÁT. Chúng tôi tự hào là đối tác ủy quyền của hơn 50 thương hiệu hàng đầu thế giới (Makita, Bosch, Dewalt, Stanley, Jasic…). Cam kết 100% sản phẩm có đầy đủ CO/CQ, hóa đơn VAT và bảo hành chính hãng.
Giấy phép kinh doanh: 0313098297
Hotline: 0912.383.327
Email: maymocchinhhang@gmail.com
Địa chỉ: 183/46/5 Đường số 10, Phường 8, Quận Gò Vấp, Thành phố Hồ Chí Minh
Website: maymocchinhhang.com
Lý do đổi trả hàng
+ Sản phẩm lỗi, hỏng do quá trình sản xuất hoặc vận chuyển
+ Nằm trong chính sách đổi trả sản phẩm của Máy Móc Chính Hãng
Thời gian đổi trả
Điều kiện về thời gian đổi trả: trong vòng 30 ngày kể từ khi nhận được hàng và phải liên hệ gọi ngay cho chúng tôi theo số điện thoại trên để được xác nhận đổi trả hàng. Nếu không yêu cầu sẽ không được chấp nhận.

















