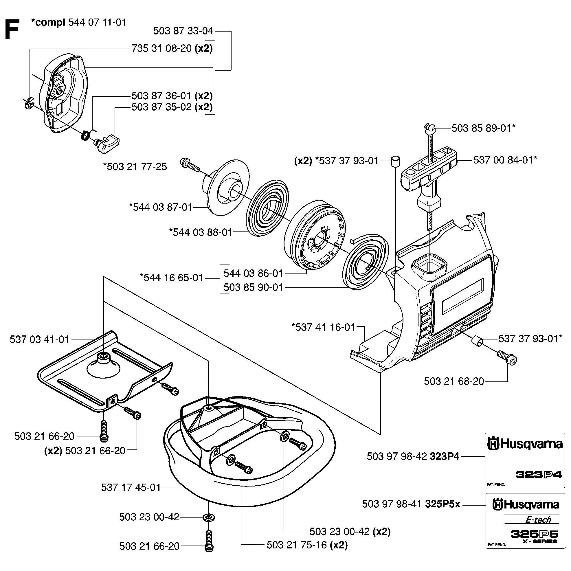
Sơ đồ Hệ Thống Đánh Lửa Husqvarna 572XP-XPG
Thương hiệu:
HUSQVARNA
Mã sản phẩm:
Sodo04964
Danh sách phụ tùng trong sơ đồ
| STT | Ảnh minh hoạ | SKU | Chi tiết | Tình trạng | Giá |
|---|---|---|---|---|---|
| 3 | ![]() | 503 22 04 01 | Hạt HUSQVARNA 503 22 04 01 | Còn hàng | 64.680 ₫ |
| 7 | ![]() | 525 82 49 02 | Vít Ihscm Husqvarna 525 82 49 02 | Còn hàng | 54.450 ₫ |
Mô tả
Sơ đồ Hệ Thống Đánh Lửa Husqvarna 572XP-XPG
Husqvarna cung cấp sơ đồ chi tiết giúp người dùng dễ dàng nhận biết vị trí và mã phụ tùng chính xác cho từng bộ phận của máy. Mỗi chi tiết đều được hiển thị trực quan, hỗ trợ việc tra cứu và đặt hàng nhanh chóng.
Ưu điểm của sơ đồ
- Minh họa rõ ràng từng cụm chi tiết – giúp việc lắp ráp và bảo trì thuận tiện hơn.
- Phụ tùng chính hãng đảm bảo độ khớp và hiệu năng tối ưu.
- Tích hợp sẵn danh sách mã linh kiện để đặt hàng trực tiếp trên website.
Hướng dẫn sử dụng
Chọn từng chi tiết trong sơ đồ để xem tên linh kiện, mã hàng (SKU), và giá bán tương ứng. Nếu không chắc về mã phụ tùng, hãy liên hệ bộ phận kỹ thuật của Máy Số 1 Việt Nam để được hỗ trợ miễn phí.
Toàn bộ dữ liệu được biên soạn dựa trên sơ đồ chính hãng Husqvarna, đảm bảo độ chính xác cao và tương thích hoàn toàn với thiết bị gốc.
Sản phẩm được phân phối chính hãng bởi CÔNG TY TNHH THIẾT BỊ CÔNG NGHIỆP HÀ HOÀNG PHÁT. Chúng tôi tự hào là đối tác ủy quyền của hơn 50 thương hiệu hàng đầu thế giới (Makita, Bosch, Dewalt, Stanley, Jasic…). Cam kết 100% sản phẩm có đầy đủ CO/CQ, hóa đơn VAT và bảo hành chính hãng.
Giấy phép kinh doanh: 0313098297
Hotline: 0912.383.327
Email: maymocchinhhang@gmail.com
Địa chỉ: 183/46/5 Đường số 10, Phường 8, Quận Gò Vấp, Thành phố Hồ Chí Minh
Website: maymocchinhhang.com
Chính sách đổi trả
Lý do đổi trả hàng
+ Sản phẩm lỗi, hỏng do quá trình sản xuất hoặc vận chuyển
+ Nằm trong chính sách đổi trả sản phẩm của Máy Móc Chính Hãng
Thời gian đổi trả
Điều kiện về thời gian đổi trả: trong vòng 30 ngày kể từ khi nhận được hàng và phải liên hệ gọi ngay cho chúng tôi theo số điện thoại trên để được xác nhận đổi trả hàng. Nếu không yêu cầu sẽ không được chấp nhận.
Sản phẩm đã xem
76.230₫
Liên hệ
Liên hệ






