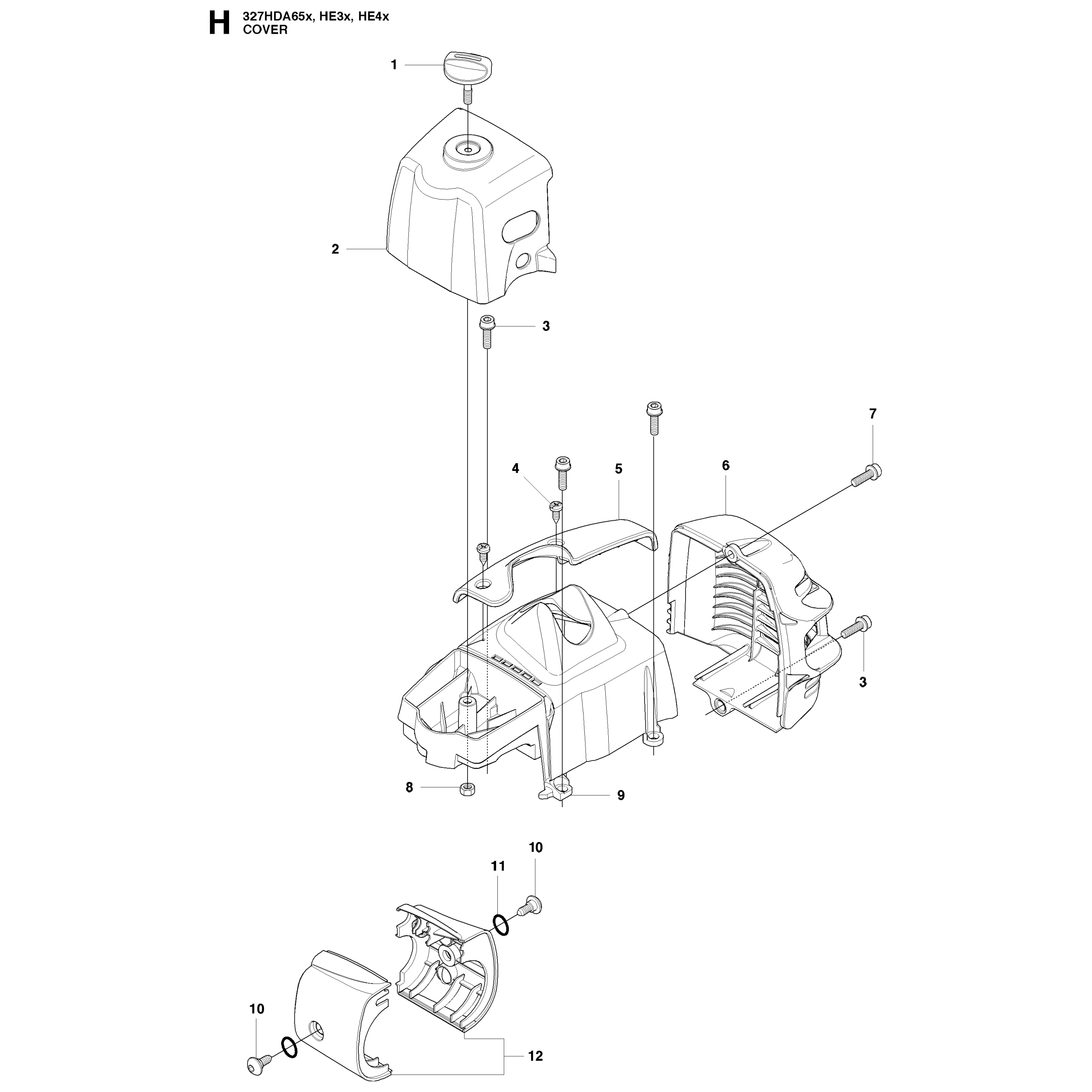
Sơ đồ Lắp đặt động cơ cho LT6005

Thương hiệu: HUSQVARNA
Mã sản phẩm: Sodo04899

Danh sách phụ tùng trong sơ đồ

STTẢnh minh hoạSKUChi tiếtTình trạngGiá
1Air Filter594 16 87 01Air FilterCòn hàng970.200 
2Housing594 16 80 01HousingCòn hàng1.567.170 
3Gasket594 17 90 01GasketCòn hàng771.210 
5Valve594 16 91 01ValveCòn hàng815.760 
8Indicator594 17 83 01IndicatorCòn hàng1.567.500 
14Screw595 11 11 01ScrewCòn hàng39.600 
15Hour Meter594 16 92 01Hour MeterCòn hàng5.402.100 
15Plane Washer595 03 65 01Plane WasherCòn hàng19.140 
16Screw594 12 17 01ScrewCòn hàng19.140 
18Screw595 34 83 01ScrewCòn hàng251.790 
19Socket595 34 81 01SocketCòn hàng39.600 
20Engine594 17 71 01EngineCòn hàng380.160 
20Washer595 04 39 01WasherCòn hàng147.510 
24Hose594 16 83 01HoseCòn hàng188.100 
25Hose Connector594 16 81 01Hose ConnectorCòn hàng608.850 
26Hose594 43 76 01HoseCòn hàng98.010 
27Nut594 12 27 01NutCòn hàng19.140 
28Centrifugal Clutch594 16 17 01Centrifugal ClutchCòn hàng2.127.840 
30Stud594 59 22 01StudCòn hàng395.010 
31Nut595 03 55 01NutCòn hàng77.880 
34Key594 46 00 01KeyCòn hàng135.960 
Mô tả

Sơ đồ Lắp đặt động cơ cho LT6005

Husqvarna cung cấp sơ đồ chi tiết giúp người dùng dễ dàng nhận biết vị trí và mã phụ tùng chính xác cho từng bộ phận của máy. Mỗi chi tiết đều được hiển thị trực quan, hỗ trợ việc tra cứu và đặt hàng nhanh chóng.

Ưu điểm của sơ đồ

  • Minh họa rõ ràng từng cụm chi tiết – giúp việc lắp ráp và bảo trì thuận tiện hơn.
  • Phụ tùng chính hãng đảm bảo độ khớp và hiệu năng tối ưu.
  • Tích hợp sẵn danh sách mã linh kiện để đặt hàng trực tiếp trên website.

Hướng dẫn sử dụng

Chọn từng chi tiết trong sơ đồ để xem tên linh kiện, mã hàng (SKU), và giá bán tương ứng. Nếu không chắc về mã phụ tùng, hãy liên hệ bộ phận kỹ thuật của Máy Số 1 Việt Nam để được hỗ trợ miễn phí.

Toàn bộ dữ liệu được biên soạn dựa trên sơ đồ chính hãng Husqvarna, đảm bảo độ chính xác cao và tương thích hoàn toàn với thiết bị gốc.

Sản phẩm được phân phối chính hãng bởi CÔNG TY TNHH THIẾT BỊ CÔNG NGHIỆP HÀ HOÀNG PHÁT. Chúng tôi tự hào là đối tác ủy quyền của hơn 50 thương hiệu hàng đầu thế giới (Makita, Bosch, Dewalt, Stanley, Jasic…). Cam kết 100% sản phẩm có đầy đủ CO/CQ, hóa đơn VAT và bảo hành chính hãng.
Giấy phép kinh doanh: 0313098297
Hotline: 0912.383.327
Email: maymocchinhhang@gmail.com
Địa chỉ: 183/46/5 Đường số 10, Phường 8, Quận Gò Vấp, Thành phố Hồ Chí Minh
Website: maymocchinhhang.com

Lý do đổi trả hàng
+ Sản phẩm lỗi, hỏng do quá trình sản xuất hoặc vận chuyển
+ Nằm trong chính sách đổi trả sản phẩm của Máy Móc Chính Hãng
Thời gian đổi trả
Điều kiện về thời gian đổi trả: trong vòng 30 ngày kể từ khi nhận được hàng và phải liên hệ gọi ngay cho chúng tôi theo số điện thoại trên để được xác nhận đổi trả hàng. Nếu không yêu cầu sẽ không được chấp nhận.

Zalo Gọi điện