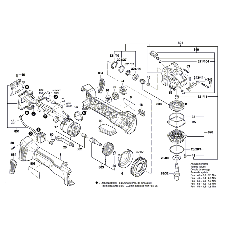
Sơ đồ Lắp ráp bơm dầu cho Stihl 036QS
Thương hiệu:
STIHL
Mã sản phẩm:
Sodo02292
Danh sách phụ tùng trong sơ đồ
| STT | Ảnh minh hoạ | SKU | Chi tiết | Tình trạng | Giá |
|---|---|---|---|---|---|
| 1 | ![]() | 1124 007 1010 | Bộ Ống Dẫn Dầu (bao Gồm 2) Stihl 1124 007 1010 | Còn hàng | 147.840 ₫ |
| 1 | ![]() | 1125 640 3001 | Vỏ Bơm Stihl 1125 640 3001 | Còn hàng | 1.337.160 ₫ |
| 2 | ![]() | 1125 640 3201 | Bơm Dầu (bao Gồm 1 - 9) Stihl 1125 640 3201 | Còn hàng | 2.223.540 ₫ |
| 3 | ![]() | 0000 958 0611 | Vòng Đệm Stihl 0000 958 0611 | Còn hàng | 36.300 ₫ |
| 4 | ![]() | 0000 997 0629 | Lò Xo Nén Stihl 0000 997 0629 | Còn hàng | 36.300 ₫ |
| 6 | ![]() | 1125 647 7002 | Cắm Stihl 1125 647 7002 | Còn hàng | 18.480 ₫ |
| 6 | ![]() | 1125 647 7800 | Washer | Còn hàng | 43.560 ₫ |
| 7 | ![]() | 9646 945 0160 | Vòng Chữ O 4x2 Stihl 9646 945 0160 | Còn hàng | 14.520 ₫ |
| 8 | ![]() | 1128 647 4806 | Bu Lông Điều Khiển Stihl 1128 647 4806 | Còn hàng | 49.830 ₫ |
| 9 | ![]() | 9380 620 1090 | Chốt Cuộn 2x10 Stihl 9380 620 1090 | Còn hàng | 11.220 ₫ |
| 10 | ![]() | 0000 993 0510 | Ring | Còn hàng | 354.090 ₫ |
| 12 | ![]() | 1125 640 7110 | Giun (bao Gồm 16) Stihl 1125 640 7110 | Còn hàng | 272.250 ₫ |
| 13 | ![]() | 1125 647 2400 | Bộ Phận Đẩy Lò Xo Stihl 1125 647 2400 | Còn hàng | 43.560 ₫ |
| 17 | ![]() | 9022 313 0660 | Vít Spline Is-m4x12 ((2 Nm)) Stihl 9022 313 0660 | Còn hàng | 25.080 ₫ |
Mô tả
Sơ đồ Lắp ráp bơm dầu cho Stihl 036QS
Stihl cung cấp sơ đồ chi tiết giúp người dùng dễ dàng nhận biết vị trí và mã phụ tùng chính xác cho từng bộ phận của máy. Mỗi chi tiết đều được hiển thị trực quan, hỗ trợ việc tra cứu và đặt hàng nhanh chóng.
Ưu điểm của sơ đồ
- Minh họa rõ ràng từng cụm chi tiết – giúp việc lắp ráp và bảo trì thuận tiện hơn.
- Phụ tùng chính hãng đảm bảo độ khớp và hiệu năng tối ưu.
- Tích hợp sẵn danh sách mã linh kiện để đặt hàng trực tiếp trên website.
Hướng dẫn sử dụng
Chọn từng chi tiết trong sơ đồ để xem tên linh kiện, mã hàng (SKU), và giá bán tương ứng. Nếu không chắc về mã phụ tùng, hãy liên hệ bộ phận kỹ thuật của Máy Số 1 Việt Nam để được hỗ trợ miễn phí.
Toàn bộ dữ liệu được biên soạn dựa trên sơ đồ chính hãng Stihl, đảm bảo độ chính xác cao và tương thích hoàn toàn với thiết bị gốc.
Sản phẩm được phân phối chính hãng bởi CÔNG TY TNHH THIẾT BỊ CÔNG NGHIỆP HÀ HOÀNG PHÁT. Chúng tôi tự hào là đối tác ủy quyền của hơn 50 thương hiệu hàng đầu thế giới (Makita, Bosch, Dewalt, Stanley, Jasic…). Cam kết 100% sản phẩm có đầy đủ CO/CQ, hóa đơn VAT và bảo hành chính hãng.
Giấy phép kinh doanh: 0313098297
Hotline: 0912.383.327
Email: maymocchinhhang@gmail.com
Địa chỉ: 183/46/5 Đường số 10, Phường 8, Quận Gò Vấp, Thành phố Hồ Chí Minh
Website: maymocchinhhang.com
Chính sách đổi trả
Lý do đổi trả hàng
+ Sản phẩm lỗi, hỏng do quá trình sản xuất hoặc vận chuyển
+ Nằm trong chính sách đổi trả sản phẩm của Máy Móc Chính Hãng
Thời gian đổi trả
Điều kiện về thời gian đổi trả: trong vòng 30 ngày kể từ khi nhận được hàng và phải liên hệ gọi ngay cho chúng tôi theo số điện thoại trên để được xác nhận đổi trả hàng. Nếu không yêu cầu sẽ không được chấp nhận.


















