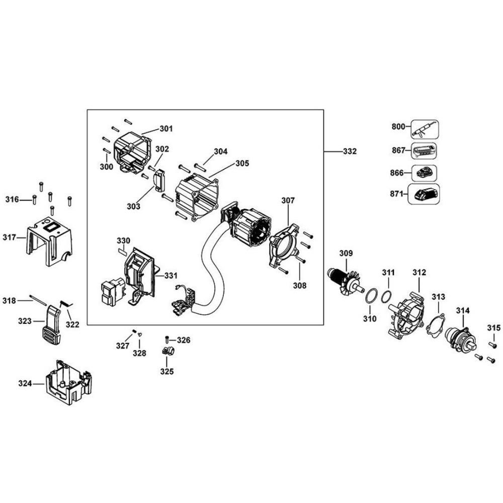
Sơ đồ Lắp ráp chính DeWalt DE7031

Thương hiệu: DEWALT
Mã sản phẩm: Sodo04300

Danh sách phụ tùng trong sơ đồ

STTẢnh minh hoạSKUChi tiếtTình trạngGiá
1Dấu Ngoặc Sa DEWALT 591202-00591202-00Dấu Ngoặc Sa DEWALT 591202-00Còn hàng1.781.670 
2Đứng DEWALT 591203-00591203-00Đứng DEWALT 591203-00Còn hàng1.226.610 
3Nắp Cuối DEWALT 743647743647Nắp Cuối DEWALT 743647Còn hàng76.230 
4Cánh Vít DEWALT 744226744226Cánh Vít DEWALT 744226Còn hàng343.200 
5Bộ Phận Đẩy Lò Xo DEWALT 591205-00591205-00Bộ Phận Đẩy Lò Xo DEWALT 591205-00Còn hàng76.230 
6Đinh Tán DEWALT 591206-00591206-00Đinh Tán DEWALT 591206-00Còn hàng76.230 
8Đinh Tán DEWALT 591207-00591207-00Đinh Tán DEWALT 591207-00Còn hàng76.230 
33Vít330045-06VítCòn hàng76.230 
71Khoảng Cách DEWALT 591129591129Khoảng Cách DEWALT 591129Còn hàng76.230 
Mô tả

Sơ đồ Lắp ráp chính DeWalt DE7031

Dewalt cung cấp sơ đồ chi tiết giúp người dùng dễ dàng nhận biết vị trí và mã phụ tùng chính xác cho từng bộ phận của máy. Mỗi chi tiết đều được hiển thị trực quan, hỗ trợ việc tra cứu và đặt hàng nhanh chóng.

Ưu điểm của sơ đồ

  • Minh họa rõ ràng từng cụm chi tiết – giúp việc lắp ráp và bảo trì thuận tiện hơn.
  • Phụ tùng chính hãng đảm bảo độ khớp và hiệu năng tối ưu.
  • Tích hợp sẵn danh sách mã linh kiện để đặt hàng trực tiếp trên website.

Hướng dẫn sử dụng

Chọn từng chi tiết trong sơ đồ để xem tên linh kiện, mã hàng (SKU), và giá bán tương ứng. Nếu không chắc về mã phụ tùng, hãy liên hệ bộ phận kỹ thuật của Máy Số 1 Việt Nam để được hỗ trợ miễn phí.

Toàn bộ dữ liệu được biên soạn dựa trên sơ đồ chính hãng Dewalt, đảm bảo độ chính xác cao và tương thích hoàn toàn với thiết bị gốc.

Sản phẩm được phân phối chính hãng bởi CÔNG TY TNHH THIẾT BỊ CÔNG NGHIỆP HÀ HOÀNG PHÁT. Chúng tôi tự hào là đối tác ủy quyền của hơn 50 thương hiệu hàng đầu thế giới (Makita, Bosch, Dewalt, Stanley, Jasic…). Cam kết 100% sản phẩm có đầy đủ CO/CQ, hóa đơn VAT và bảo hành chính hãng.
Giấy phép kinh doanh: 0313098297
Hotline: 0912.383.327
Email: maymocchinhhang@gmail.com
Địa chỉ: 183/46/5 Đường số 10, Phường 8, Quận Gò Vấp, Thành phố Hồ Chí Minh
Website: maymocchinhhang.com

Lý do đổi trả hàng
+ Sản phẩm lỗi, hỏng do quá trình sản xuất hoặc vận chuyển
+ Nằm trong chính sách đổi trả sản phẩm của Máy Móc Chính Hãng
Thời gian đổi trả
Điều kiện về thời gian đổi trả: trong vòng 30 ngày kể từ khi nhận được hàng và phải liên hệ gọi ngay cho chúng tôi theo số điện thoại trên để được xác nhận đổi trả hàng. Nếu không yêu cầu sẽ không được chấp nhận.

Zalo Gọi điện