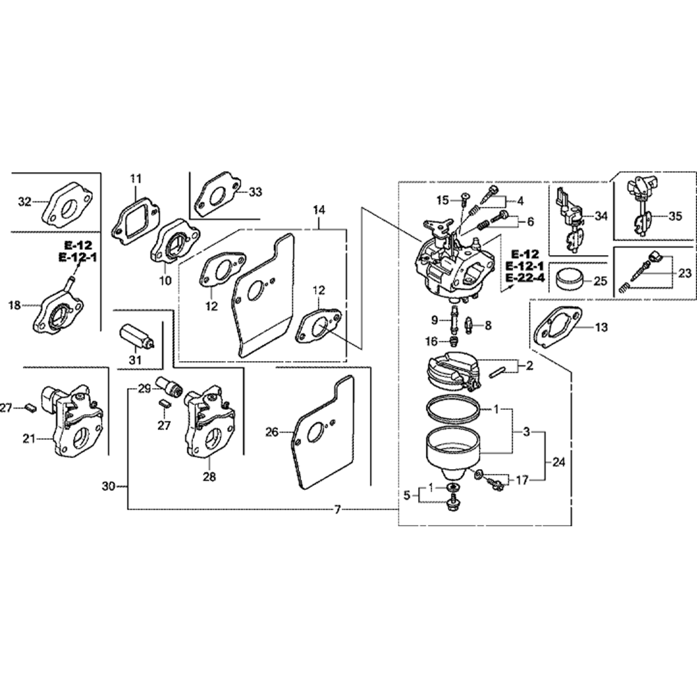
Sơ đồ Lắp ráp xi lanh cho Honda GCV520
Danh sách phụ tùng trong sơ đồ
| STT | Ảnh minh hoạ | SKU | Chi tiết | Tình trạng | Giá |
|---|---|---|---|---|---|
| 1 | ![]() |
12100 Z0A 406 | Xi Lanh Comp. HONDA 12100 Z0A 406 | Còn hàng | 8.226.900 ₫ |
| 2 | ![]() |
12209 422 005 | Niêm Phong HONDA 12209 422 005 | Còn hàng | 419.100 ₫ |
| 6 | ![]() |
17151 Z0A 000 | Đóng Gói HONDA 17151 Z0A 000 | Còn hàng | 207.240 ₫ |
| 9 | ![]() |
90013 883 000 | Bu Lông, Mặt Bích, 6x12 HONDA 90013 883 000 | Còn hàng | 109.890 ₫ |
| 10 | ![]() |
90045 892 000 | Bu Lông HONDA 90045 892 000 | Còn hàng | 142.560 ₫ |
| 11 | ![]() |
90201 Z0A 000 | Hạt HONDA 90201 Z0A 000 | Còn hàng | 70.290 ₫ |
| 13 | ![]() |
98079 54846 | Bu Lông HONDA 98079 54846 | Còn hàng | 92.400 ₫ |
| 15 | ![]() |
98079 55846 | Bugi, Đánh Lửa (bpr5es) HONDA 98079 55846 | Còn hàng | 270.270 ₫ |
Sơ đồ Lắp ráp xi lanh cho Honda GCV520
Honda cung cấp sơ đồ chi tiết giúp người dùng dễ dàng nhận biết vị trí và mã phụ tùng chính xác cho từng bộ phận của máy. Mỗi chi tiết đều được hiển thị trực quan, hỗ trợ việc tra cứu và đặt hàng nhanh chóng.
Ưu điểm của sơ đồ
- Minh họa rõ ràng từng cụm chi tiết – giúp việc lắp ráp và bảo trì thuận tiện hơn.
- Phụ tùng chính hãng đảm bảo độ khớp và hiệu năng tối ưu.
- Tích hợp sẵn danh sách mã linh kiện để đặt hàng trực tiếp trên website.
Hướng dẫn sử dụng
Chọn từng chi tiết trong sơ đồ để xem tên linh kiện, mã hàng (SKU), và giá bán tương ứng. Nếu không chắc về mã phụ tùng, hãy liên hệ bộ phận kỹ thuật của Máy Số 1 Việt Nam để được hỗ trợ miễn phí.
Toàn bộ dữ liệu được biên soạn dựa trên sơ đồ chính hãng Honda, đảm bảo độ chính xác cao và tương thích hoàn toàn với thiết bị gốc.
Sản phẩm được phân phối chính hãng bởi CÔNG TY TNHH THIẾT BỊ CÔNG NGHIỆP HÀ HOÀNG PHÁT. Chúng tôi tự hào là đối tác ủy quyền của hơn 50 thương hiệu hàng đầu thế giới (Makita, Bosch, Dewalt, Stanley, Jasic…). Cam kết 100% sản phẩm có đầy đủ CO/CQ, hóa đơn VAT và bảo hành chính hãng.
Giấy phép kinh doanh: 0313098297
Hotline: 0912.383.327
Email: maymocchinhhang@gmail.com
Địa chỉ: 183/46/5 Đường số 10, Phường 8, Quận Gò Vấp, Thành phố Hồ Chí Minh
Website: maymocchinhhang.com
Lý do đổi trả hàng
+ Sản phẩm lỗi, hỏng do quá trình sản xuất hoặc vận chuyển
+ Nằm trong chính sách đổi trả sản phẩm của Máy Móc Chính Hãng
Thời gian đổi trả
Điều kiện về thời gian đổi trả: trong vòng 30 ngày kể từ khi nhận được hàng và phải liên hệ gọi ngay cho chúng tôi theo số điện thoại trên để được xác nhận đổi trả hàng. Nếu không yêu cầu sẽ không được chấp nhận.











