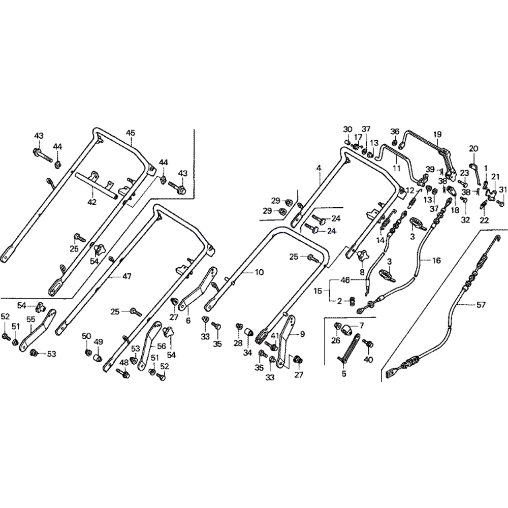
Sơ đồ Con lăn phía sau cho Honda HRD535

Thương hiệu: HONDA
Mã sản phẩm: Sodo04369

Danh sách phụ tùng trong sơ đồ

STTẢnh minh hoạSKUChi tiếtTình trạngGiá
1Trục Comp. Rr. Trục HONDA 42650 VB3 B5042650 VB3 B50Trục Comp. Rr. Trục HONDA 42650 VB3 B50Còn hàng5.431.800 
2Điều Chỉnh Cánh Tay HONDA 42652 VB3 B5042652 VB3 B50Điều Chỉnh Cánh Tay HONDA 42652 VB3 B50Còn hàng920.700 
3Con Lăn Comp. R. HONDA 42780 VB3 B5142780 VB3 B51Con Lăn Comp. R. HONDA 42780 VB3 B51Còn hàng5.494.500 
4Con Lăn Comp. L. HONDA 42790 VB3 B5142790 VB3 B51Con Lăn Comp. L. HONDA 42790 VB3 B51Còn hàng4.418.700 
7Giá Đỡ R Rr Cover HONDA 42986 VF0 75042986 VF0 750Giá Đỡ R Rr Cover HONDA 42986 VF0 750Còn hàng408.870 
8Bảng Điều Chỉnh L Rr HONDA 42987 VB3 B5042987 VB3 B50Bảng Điều Chỉnh L Rr HONDA 42987 VB3 B50Còn hàng598.950 
9Bộ Cân Bằng Lò Xo HONDA 42992 VA5 70042992 VA5 700Bộ Cân Bằng Lò Xo HONDA 42992 VA5 700Còn hàng441.870 
9Bộ Điều Chỉnh Tay Cầm HONDA 42952 VA4 00042952 VA4 000Bộ Điều Chỉnh Tay Cầm HONDA 42952 VA4 000Còn hàng47.520 
9Đai Ốc, Mặt Bích, 6mm HONDA 94050 0600094050 06000Đai Ốc, Mặt Bích, 6mm HONDA 94050 06000Còn hàng89.430 
10Bộ Điều Chỉnh Rr Tấm HONDA 42961 VF0 75042961 VF0 750Bộ Điều Chỉnh Rr Tấm HONDA 42961 VF0 750Còn hàng921.030 
11Bu Lông HONDA 90014 952 00090014 952 000Bu Lông HONDA 90014 952 000Còn hàng94.710 
12Tay Điều Chỉnh Bu Lông HONDA 90105 VF0 75090105 VF0 750Tay Điều Chỉnh Bu Lông HONDA 90105 VF0 750Còn hàng310.200 
13Đai Ốc Tự Khóa 8mm HONDA 90312 SB2 00090312 SB2 000Đai Ốc Tự Khóa 8mm HONDA 90312 SB2 000Còn hàng150.810 
13Đai Ốc U 10mm (fuse Rashi) HONDA 90304 GE8 00390304 GE8 003Đai Ốc U 10mm (fuse Rashi) HONDA 90304 GE8 003Còn hàng146.850 
15Lực Đẩy Của Vòng Đệm 15mm HONDA 90412 187 00090412 187 000Lực Đẩy Của Vòng Đệm 15mm HONDA 90412 187 000Còn hàng104.610 
16Vòng Đệm Rr. Trục Trục HONDA 90455 VA5 70090455 VA5 700Vòng Đệm Rr. Trục Trục HONDA 90455 VA5 700Còn hàng159.060 
17Vòng Đệm Đẩy 8mm HONDA 90465 422 00090465 422 000Vòng Đệm Đẩy 8mm HONDA 90465 422 000Còn hàng214.830 
18Chìa Khóa Phẳng 4x4x14 HONDA 90741 715 00090741 715 000Chìa Khóa Phẳng 4x4x14 HONDA 90741 715 000Còn hàng403.920 
19Ghế Cổ Áo HONDA 91552 763 A0091552 763 A00Ghế Cổ Áo HONDA 91552 763 A00Còn hàng187.770 
23Vít Ren 5x12 HONDA 93903 2521093903 25210Vít Ren 5x12 HONDA 93903 25210Còn hàng54.120 
24Vòng Đệm Ngoài 15mm HONDA 94510 1500094510 15000Vòng Đệm Ngoài 15mm HONDA 94510 15000Còn hàng40.920 
Mô tả

Sơ đồ Con lăn phía sau cho Honda HRD535

Honda cung cấp sơ đồ chi tiết giúp người dùng dễ dàng nhận biết vị trí và mã phụ tùng chính xác cho từng bộ phận của máy. Mỗi chi tiết đều được hiển thị trực quan, hỗ trợ việc tra cứu và đặt hàng nhanh chóng.

Ưu điểm của sơ đồ

  • Minh họa rõ ràng từng cụm chi tiết – giúp việc lắp ráp và bảo trì thuận tiện hơn.
  • Phụ tùng chính hãng đảm bảo độ khớp và hiệu năng tối ưu.
  • Tích hợp sẵn danh sách mã linh kiện để đặt hàng trực tiếp trên website.

Hướng dẫn sử dụng

Chọn từng chi tiết trong sơ đồ để xem tên linh kiện, mã hàng (SKU), và giá bán tương ứng. Nếu không chắc về mã phụ tùng, hãy liên hệ bộ phận kỹ thuật của Máy Số 1 Việt Nam để được hỗ trợ miễn phí.

Toàn bộ dữ liệu được biên soạn dựa trên sơ đồ chính hãng Honda, đảm bảo độ chính xác cao và tương thích hoàn toàn với thiết bị gốc.

Sản phẩm được phân phối chính hãng bởi CÔNG TY TNHH THIẾT BỊ CÔNG NGHIỆP HÀ HOÀNG PHÁT. Chúng tôi tự hào là đối tác ủy quyền của hơn 50 thương hiệu hàng đầu thế giới (Makita, Bosch, Dewalt, Stanley, Jasic…). Cam kết 100% sản phẩm có đầy đủ CO/CQ, hóa đơn VAT và bảo hành chính hãng.
Giấy phép kinh doanh: 0313098297
Hotline: 0912.383.327
Email: maymocchinhhang@gmail.com
Địa chỉ: 183/46/5 Đường số 10, Phường 8, Quận Gò Vấp, Thành phố Hồ Chí Minh
Website: maymocchinhhang.com

Lý do đổi trả hàng
+ Sản phẩm lỗi, hỏng do quá trình sản xuất hoặc vận chuyển
+ Nằm trong chính sách đổi trả sản phẩm của Máy Móc Chính Hãng
Thời gian đổi trả
Điều kiện về thời gian đổi trả: trong vòng 30 ngày kể từ khi nhận được hàng và phải liên hệ gọi ngay cho chúng tôi theo số điện thoại trên để được xác nhận đổi trả hàng. Nếu không yêu cầu sẽ không được chấp nhận.

Zalo Gọi điện